ESPRO
PFA EEC Reducer (Integrated Type)
ESPRO
PFA EEC Reducer (Integrated Type)
Does not leave residual fluid
Smooth fluid flow and minimize foaming
Reduces welding points, reducing leak points
Compact design
SUS Flange and PFA Body (Ecc-Reducer) integrated design applied
1) Applying a design that does not leave residual fluid
2) Smooth fluid flow and minimize foaming
3) Reduction of leak point and work time due to reduction of welding point
4) Max 28% Length decrease compared to existing fitting – maximizing space utilization



Brand
ESPRO
Product Number
espro-16-pfa-eec-reducer
Material
High Purity Grade PFA (Body) + Teflon Coating (SUS Flange)
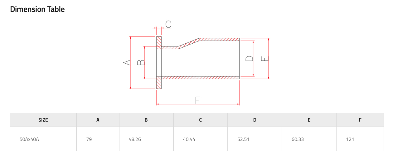
Size
50AX40A (Flange)
Pressure
0~10 kgf/m2
Temperature
0~90℃
Status
Request information


